非隔离四开关BUCK-BOOST双向DC/DC方案
发布时间:2025-06-24 点击数:1689

非隔离四开关BUCK-BOOST双向DC/DC应用方向:


随着环保节能需求的增加,具有升降压能力的直流变换器受到越来越多的关注,四开关BUCK-BOOST (FSBB)以其卓越的升降压性能以及能量双向流动的特性在燃料电池、通信系统,可再生能源发电等场合有着重要的应用。小华半导体推出了基于HC32F334控制器的四开关BUCK-BOOST(FSBB)应用方案是国产MCU电源方案的理想选择.


1.  参考设计简介
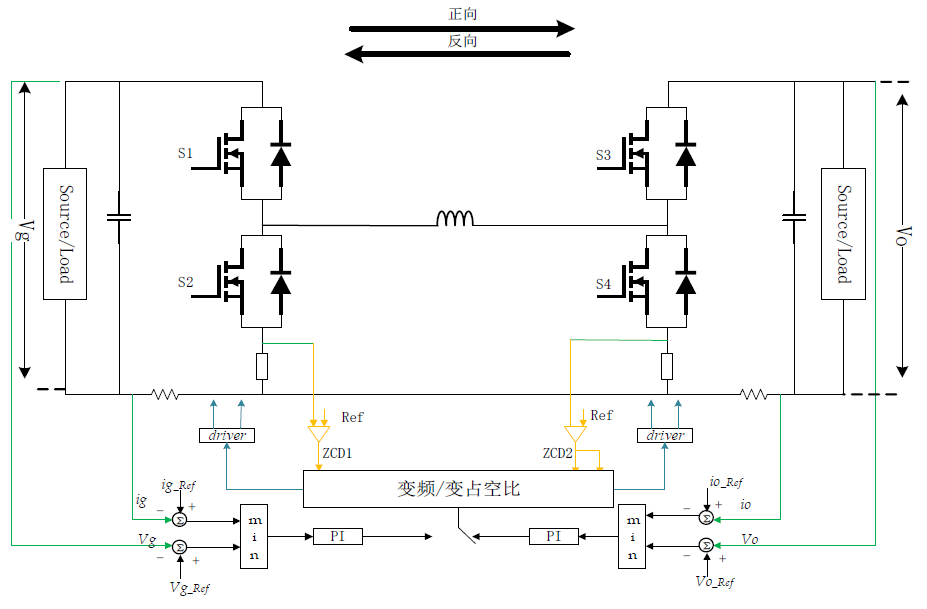
随着环保节能需求的增加,具有升降压能力的直流变换器受到越来越多的关注,四开关BUCK-BOOST (FSBB)以其卓越的升降压性能以及能量双向流动的特性在燃料电池、通信系统,可再生能源发电等场合有着重要的应用。小华半导体推出了基于HC32F334控制器的四开关BUCK-BOOST(FSBB)应用方案,该方案的拓扑结构和基于HC32F334的控制框图如图1-1所示。

图片
图1‑1 小华FSBB方案控制框图

其主要规格参数如下表所示,对应的V-I曲线如图1‑2所示:
表1 FSBB规格参数
图片

图片
图1‑2 四开关BUCK-BOOST输出VI曲线

该方案主要实验结果如图1-3所示。

图片
图1-3 FSBB参考设计实验结果

方案的主要优势与特点概要总结如下表2所示。
表2 FSBB方案优势与特点
图片

2.  方案优势及特点
2.1  简化变频控制的优势
FSBB控制模式有两个方向,一种是多模式PWM硬开关模式,另外一种是电感电流四边形软开关模式。
多模式PWM硬开关策略:常用三模式控制策略如图2-1,即根据输入输出电压的差异工作在不同模式:BUCK模式(Vg > Vo + Vth)、BOOST模式(Vg < Vo - Vth),以及Buck/Boost模式(Vo – Vth < Vg < Vo + Vth)。这种控制模式工作在硬开关,电感电流应力大,开关损耗大。
图片
图2‑1 多模式PWM控制

电感电流四边形控制:为了提高效率及功率密度。提出了电感电流的四边形软开关控制,波形如图2-2。该模式下把电感电流分为四段T1,T2,T3和T4,对应的电流为Izvs,I1,I2,I3,只需要每个转折点的电流大于Izvs就可以实现ZVS。还可以通过优化电感电流时间(T1,T2),使电感电流有效值最小,进一步减小导通损耗。但是电感电流有效值最小的优化控制,最优的开通时间 [T1,T2]optimal = f(Vg,Vo,Io),要实时地计算最优的(T1,T2)值,计算量大,经常会通过查表法得出不同负载状态下的最优开通时间。

图片
图2‑2 电感电流四边形控制

在介绍本方案采用的简化变频控制前,我们先看下DCM简化控制和CCM变频控制:
1) DCM的简化控制:在宽输入输出范围应用条件下,要实现电感电流最小控制,需要多维查表,需要很大存储空间。通过下面图2-3可知,只有I1 = Izvs(Buck模式),或者I3 = Izvs (Boost模式),电感电流有效值始终最小,其中粉红色为最小电感电流有效值最小控制,阴影区域为表示一个周期传递的能量大小。因此可以通过此条件,利用公式(1)得到T1的最优解。因此电感电流最优解转为求T2的解。由多维变量控制变为单一变量控制。计算量大大降低。可以通过PI即可以得出T2的值。

图片
图2‑3 DCM模式下最小电感电流波形

2) CCM的变频控制:简化DCM模式下,FSBB最大功率受到限制,尤其是输入电压等于输出电压的时候,输出的最大功率很小。为了解决这个问题,提出了连续导通模式变频控制。当负载增加到T4消失进入CCM后,被控对象变为T1,而T2由公式2决定。这样电感电流在T1处的值随着负载变化而变化,在相同的硬件条件下提高了带载能力。从频率角度上看,T1随着负载的变化而变化,只要电流稍微变化就可以带来较大的传输能量变化,因此总的来说频率变化范围小。如图2-4为输出50V、不同输入电压下最大输出功率时的频率曲线。从图中可以看出,最低频率才85kHz(输入电压等于输出电压的条件下)。

图片
图2‑4 频率变化@50V/Pmax

本方案采用的简化变频控制:集成了上述简化DCM控制和CCM变频控制的优点。即轻载DCM定频控制,选择T2作为控制调节量,T1由公式1确定,此时电感有效值最小;当负载增加到T4消失进入CCM后采用变频控制,选择T1作为控制量,而T2由公式2决定。在这样的控制策略下,任何时刻只有一个控制变量,由多维计算转变为一维运算,大大减少了计算量,易于用MCU来实现;引入变频CCM模式控制提升了硬件功率传输能力,并且频率变化窄。典型波形如图2-5。
图片
图2‑5 简化变频控制

图片

综合以上简析,可见本方案采用的DCM/CCM混合简化变频控制能够:
- 化多控制变量为单一控制变量,计算量小,易于MCU实现;
- 在宽输入输出范围内实现全负载范围ZVS、提升系统效率;
- 实现电感电流有效值最优控制,导通损耗低,进一步优化效率;
- CCM变频工作模式下,频率变换范围窄,有利于滤波元器件设计;

2.2  DCM/CCM无缝切换,保证输出平稳过渡
为了实现DCM模式和CCM模式的之间的无缝平滑切换,给出了统一的控制变量Tu,该变量是输出电压/电流的PI输出。T1,T2以及Tu的关系如图2-5所示。在DCM模式下,T2 = Tu,T1由公式(1)确定,在临界模式,T2max = Tu,进入CCM模式后,T2为T2max,Tu和T2max的差值会叠加到T1,这样当负载变化时候,Tu是连续变化,变换器的工作状态也是连续的。

2.3  采用电感负电流检测延时补偿,进一步提高效率
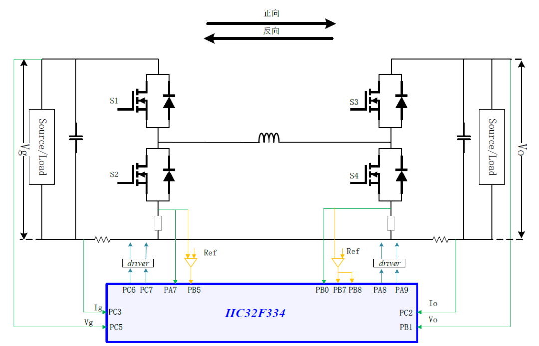
本参考设计采用简化变频控制,轻载时FSBB工作在定频DCM模式、电感电流有效值最小,重载时FSBB工作在变频CCM模式。系统框图如图2-6,ZCD1是正向工作时的电感负电流检测,ZCD2是反向工作时候的电感负电流检测,Ref是负电流的参考值。
由于硬件采样以及MCU响应外部事件的延时会导致负电流增加,电感电流有效值增加,效率降低。电感电流的变化量由公式3确定。
图片
通过公式(3)可以看出,电流的变化值和输出电压成正比,和延迟时间成正比。从实际中可以测量这个延时时间。由公式(3)可以得出在不同负载下的电流变化值。在程序中,改变电感负电流检测电路的参考值Ref,使整个系统在不同输出电压下的负电流一致。最终消除由于采样延迟导致的功率损耗。
图片
图2‑6 基于HC32F334的控制框图

3.  HC32F334对优异性能的支持
简化变频控制,通过检测输入输出状态、电感负电流(ZCD)来实现变占空比和变频控制。
以正向工作为例说明HRPWM如何来实现简化变频控制。
S1和S2,S3和S4互补发波(插入死区);
在正向工作,输出电压/电流通过PI决定S1的开通时刻和S3开通时刻,S3的关闭时刻(S4的开通时刻)则取决于电感负电流信号ZCD1,一旦检测到ZCD1信号,S3就关闭,一定死区延时之后,S4打开。整个逻辑图如图3-1所示。这里ZCD1信号有两个作用,在轻载时决定S3的占空比,在重载的时实现变频控制。

图片
图3‑1 简化变频控制PWM配置以及典型波形

(1)通过HRPWM移相功能可以实现单元间的同步以及相位调节,在本参考设计中HRPWM2就是通过相位功能同步到单元1,相位值PHSCMP1 = 0;
(2)外部事件可以直接作用于HRPWM动作(如图3-2);而且还可以配置在计数器向上或者向下时刻动作。
本参考设计S3就是在外部事件ZCD1发生时置低,S4在ZCD1发生之后插入死区置高。
图片
图3‑2 PWM动作模块

(3)外部事件可以清零计数器,加上外部事件消隐功能和外部事件Latch功能实现自动变频控制。
图片
图3‑3 外部事件处理框图

HRPWM灵活多变的外部事件处理方式,满足客户多样需求。
  • HRPWM外部事件源丰富:10个端口事件,比较器输出事件(CMP),ADC看门狗事件均可以作为外部事件源,并且滤波和极性(高电平,低电平,上升沿,下降沿)均可配置;
  • HRPWM外部事件处理功能强大:可以触发延迟空闲、PWM动作、触发计数器清零、捕获以及间隔模式;
  • HRPWM外部事件还有消隐/窗口功能:在用户指定的时间起作用。对不同的外部事件可以有5个时间段[0,OFFSENT],[0,WINDOWN], [REIOPD,OFFSENT],[RERIOD,OFFSENT],[OFFSENT,WINDOWN]可供选择;

本参考设计选用ZCD1连接到PB5作为正向工作HRPWM1的清零源(HRPWM_EEV6),同时作为HRPWM2的动作源,在ZCD1发生时S3置低;为了实现变频工作(频率变换范围[50Khz,100Khz])。HRPWM1增加了消隐功能,消隐区间[0,10us],并且加上Latch锁存功能,如果ZCD1发生在10us(100Khz)以内,延时到100Khz才起作用,如图3-4所示,如果ZCD1发生在[10us,20us](也就是100Khz到50Khz之间),会立刻起作用,如图3-1所示。由此就实现了变频控制。HRPWM2又通过移相功能同步到HRPWM1,因此整个系统就根据ZCD1发生的不同时刻实现变频控制。
图片
图3‑4 事件消隐模式

HRPWM2对ZCD1也增加了消隐功能,消隐区间为[0,HRPWM1-HRGCMPA],HRPWM1-HRGCMPA为S1的开通时间,主要目的是只有在负电流发生的时间段才能起作用,有效避免干扰影响、提升系统可靠性。

4.  非隔离双向DC/DC拓扑对比总结
目前,非隔离双向DC-DC常用拓扑如图4-1,拓扑的对比如下表3所示。
图片
图4‑1 常用非隔离DCDC拓扑

表3 常用DCDC变换器拓扑比较
图片

双向Buck/Boost变换器电路拓扑结构简单,控制较为成熟,但在单一方向上只能实现升压或降压变换,不适用于同时实现升降压的场合。
双向Buck-Boost变换器拓扑结构简单且能同时实现升降压,但其输入输出电压极性相反,辅助电路和驱动电路的设计较为复杂。
双向Cuk变换器输入电流和输出电流脉动小,滤波器的设计较为简单,但是其无源器件较多,输入能量传递到负载需要经过三次变换,因此其功率密度较低,同时存在输入输出电压极性相反的问题。
双向Sepic-Zeta变换器能够同时实现升降压,且输入输出电压极性相同,但其与双向Cuk变换器一样存在着无源器件较多,功率密度较低的问题。
FSBB变换器功率器件两端承受的电压为输入电压或输出电压,与其他三种升降压型变换器相比电压应力较小。与双向Cuk和双向epic/Zeta相比,其电感、电容等无源元件较少,可以实现较高的功率密度。虽然其开关管数量较多, 但数字控制技术的引入、在简化其硬件设计的同时、提升了转换效率;以上特性使得FSBB得到广泛应用。同时参考小华FSBB参考设计,可以轻松实现双向buck/boost方案。

5.  总结
FSBB以其双向运行可升可降压的特性,并且模块化程度高、对称性好等优点被广泛应用于电动汽车,储能系统和通信设备等非隔离供电系统领域。本文详细介绍了基于小华HC32F334数字电源控制器的FSBB参考设计,重点介绍了小华自研HRPWM模块灵活的外部事件处理机制;在应用算法上,采用简化变频控制和电感负电流检测延时补偿:相比于多模式PWM控制,能明显提高效率和功率密度;相比较于电感电流四边形控制能明显降低控制复杂度和对芯片存储容量的需求,还提升了硬件功率转输能力、拓宽了输入输出范围。电感负电流延时补偿可以消除由于硬件延迟对效率的影响。